概述
试样应按ISO23529的规定进行制备
方法N、H、L和M
概述
试样的上、下表面应是平整、光滑并相互平行。对比试验应在相同厚度的试样上进行
厚度
方法N和H
标准试样的厚度应为8 mm~10mm,而且可以由一层或多层橡胶组成,其薄的橡胶层厚度不小于2 mm,上下表面应平整平行、平行。
非标准试样可以稍厚或者薄,但其厚度不小于4 mm。
方法L
标准试样的厚度为10 mm~15 mm,而且可以由一层或多层橡胶组成,其薄的橡胶层厚度不小于2 mm,上下表面应平整、平行。
非标准试样可以稍厚或者薄,但其厚度不小于6 mm。
方法M
标准试样的厚度应为2 mm±0.5mm。可以使用稍厚或者薄的试样,但不能小于1 mm。用这样的试样测得的结果一般情况下不能与标准试样所测的结果进行比较。
横向尺寸
方法N、H和L
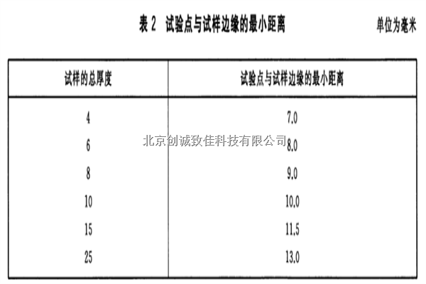
标准试样和非标准试样的横向尺寸应使试验点与试样边缘的距离不小于表2的规定。

方法M
横向尺寸应使试验点与试样边缘的距离不小于2mm当试样厚度大于 4 mm于或面部分的面所限宜在常试验上试验而用微型仪器试验时,试验点应距离试样边缘尽可能远一些。
北京创诚致佳科技有限公司是国内专业从事硬度计销售、选型及方案定制服务商,提供橡胶硬度计的报价和测试方案,主营产品有 进口硬度计,布氏硬度计,维氏硬度计,洛氏硬度计,显微硬度计,橡胶硬度计,赵氏硬度计,里氏硬度计。如需采购金相显微镜等产品,欢迎联系创诚致佳咨询价格。
联系我们: Tel: 400-0022-082, E-mail: info@hugetall.com 网站地图